◆TOHO(东邦)
◆COPAL(科宝)
      ■压力开关
      ■手持式压力计
      ■压力传感器(半导体专用)
      ■漏液检知器
      ■编码器
      ■电位计
◆Produal(普度)
◆蓄能器
      ■气囊式
      ■活塞式
      ■隔膜式
◆AICHI(愛知)
      ■气体流量计
      ■液体流量计
          -化学液体/弱酸弱碱
          -油用(轻油/重油)
          -导电液体
          -水用(纯水/自来水/饮用水)
          -蒸气用
◆日本RGL系列產品
      ■液体流量计
          - 纯水/化学液体
          -工业用水/水
      ■液体流量开关
      ■集合配管/连接配件
◆HONDA(本多)
◆Galltec+Mela(德国)
◆温、湿度贴纸/标签
◆台湾Jetec 系列产品

首頁>AICHI(愛知)系列产品>液体流量计
RCV 导电液体用流量计 AICHI(爱知)系列产品  

导电液体用流量计
RCV

 

.停产,WX 取而代之

 

.具异常警报


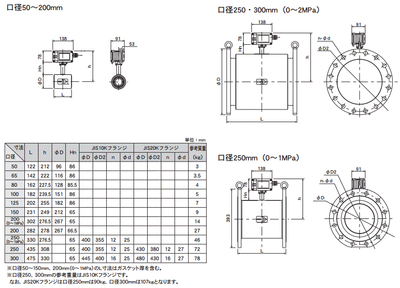
.量测范围:160~14000 / 220~17000 L/min(依口径)

.介质温度:0℃〜60℃

.输出信号:1〜5V,4〜20mA(依型号)

.防护等级:IP63

. 精度:±1%FS

. 导电率:100μS/ cm以上

 
  • 规格
  • 尺寸图
  • 目录下载


产品型录
日文型录

TOHO (东邦)系列产品
  .PID控制器
  .可编程温度控制器(PLC)
 
 
 
 
  .热电偶
Galltec+Mela(德国)系列产品
  .温湿度变送器(工业型)
  .湿度开关
紅外线传感器/紅外线测温仪
  .手持式-红外线测温仪
  .固定式-红外线测温仪(金属材质适用)
  .固定式-红外线测温仪(非反光材质用)
  .固定式-双色红外线测温仪(恶劣环境用)
  .温度资料记录仪
温、湿度贴纸/标签
  .温度贴纸/标签
  .示温蜡笔
  .湿度贴纸/标签
   
COPAL(科宝)系列产品
  .压力开关
  .手持式压力计
  .压力传感器(半导体专用)
  .漏液检知器
  .编码器 / 电位计
HUBA(富巴)系列产品
  .压力传感器
  .差压传感器
  .机械式-压力开关
 
Produal(普度)系列产品
  .气体差压传送器
  .水差压变送器
  .平均风速管 / 皮托管
 
蓄能器/蓄压器
  .气囊式
  .活塞式
  .隔膜式
AICHI(愛知)系列產品
  .气体流量计
  .液体流量计
      - 化学液体/弱酸弱碱
      - 油用(轻油/重油)
      - 导电液体
      - 水用(纯水/自来水/饮用水)
      - 蒸气用
日本RGL系列產品
  .液体流量计
      - 纯水/化学液体
      - 工业用水/水
  .液体流量开关
  .集合配管/连接配件
   
HONDA(本多)系列產品
  .超声波液位计
  .超声波污泥界面计
  .超声波密度计
  .超声波流量计
农业用传感器(气象仪器)
  .土壤测量(温度/水份/酸碱度)
  .温湿度传感器
  .日照/光量子/紫外线感测器
  .风速计/风向计
  .雨量计
  .叶绿素浓度计
  .含氧感测器
  .大气压力计
台灣Jetec系列产品
  .压力传感器
Yotta Sense系列产品
  .温湿度显示器 / 温湿度计
  .温湿度记录器
  .温湿度变送器
  .LED电子看板
  .一氧化碳/二氧化碳侦测器

沪ICP备06035741号